:
по запросу
Малогабаритное воздуховытяжные устройства Гном-80Н
Гном-80Н расширенноРадиус обслуживания до 1,5м, диаметром 80мм.
Малогабаритное воздуховытяжное устройство «Гном-80» предназначено для удаления вредных веществ из воздуха рабочей зоны при производственных процессах, сопряжённых с небольшим валовым выделением вредных веществ.
Конструкция устройства позволяет максимально приблизить воронку к источнику выделения вредных веществ и добиться высокой эффективности их улавливания.
Воздуховытяжное устройство Гном состоит из воронки, трёх жестких воздуховодов, соединенных шарнирно между собой. Фиксацию устройства обеспечивают шарниры и фрикционы.
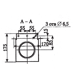
Выпускаемые устройства диаметром воздуховодов 80мм диаметром воронки 150мм рассчитаны на расход воздуха 100-150 м3/ч. Устройства «Гном-80Н» радиусом обслуживания 1,2м и 1,5м(с индексом «У»). В конструкции устройства предусмотрен кронштейн для крепления к стене или колонне цеха, металоконструкциям. Устройство нижнего подключения (над опорой), устанавливается на рабочий стол. Для подключения устройства к вентиляционной сети, вентилятору или фильтру в комплекте предусмотрен гибкий воздуховод (гофрированный шланг) диаметром 90мм, длиной 0,5м.
Все устройства «Гном» не зависимо от модификации, снабжены заслонкой для возможной регулировки расхода воздуха.
При процессах пайки и точечной сварки рекомендуем использовать устройства с фильтрами ФПА.
Дополнительно устройство может быть оснащено:
- рожковой воронкой,
- Консоль для увеличения радиуса облсуживания.
Гном-80Н расширенноВ тех случаях, когда радиуса обслуживания устройства Гном не достаточно можно использовать консоли марки «КГ-80» различной длины, что позволяет увеличить радиус обслуживания устройства до 3,0м. Выпускаются консоли длиной 0,5м («КГ-80-0,5»); 1,0м («КГ-80-1,0»); 1,5м («КГ-80-1,5»).
|
Наименование показателей
|
«Гном-80Н»
|
«Гном-80НУ»
|
|
Расход воздуха, м3/ч
|
100-150
|
|
воздуховодов, мм
|
80
|
|
воронки, мм
|
150
|
|
Угол поворота устройства вокруг оси, градусы
|
360
|
|
Угол поворота устройства воронки, градусы
|
130
|
|
Rобсл., м
|
1,2
|
1,5
|
|
Масса, кг
|
5,0
|
5,4
|
В комплекте поставки устройства предусмотрен кронштейн для крепления к столешнице или металлоконструкциям.
Для подключения устройства к вентиляционной сети, вентилятору или фильтру в комплекте предусмотрен гибкий воздуховод (гофрированный шланг) из ПВХ 90мм длиной 0,5м.
Доставка
Торговый дом "Промышленная вентиляция" осуществляет доставку продукции специальным транспортом, с удобной клиенту логистикой и способом в любой регион России. Оформление заказов и транспортировку определяют такие алгоритмы:
- для расчетов время следования груза от станции погрузки до места выгрузки закладывается до двух суток, но практически перевозка осуществляется быстрее, часто продукцию можно получить в течение этих же суток;
- при оформлении поставки наш менеджер звонит клиенту, с тем, чтобы оптимизировать доставку, для этого задаются следующие вопросы: фактический адрес, режим станции, контактное лицо, оптимальная дата для клиента, специальные условия на станции выгрузки (наличие пропуска, оформление доверенности и другие особенности);
- нашим клиентам доступен самовывоз на собственном транспорте.
Оплата
Торговый дом "Промышленная вентиляция" принимает оплату перечислением на расчетный счет по предварительно выставленному счету. Взаимодействие с клиентами осуществляется в такой последовательности:
- мы используем все варианты расчетов: оплата по факту отгрузки, 100% предоплата, отсрочка действующим клиентам на банковские или календарные дни;
- после проведения транша наш менеджер сообщает клиенту, что деньги поступили на р/с, озвучивает последующие действия по договору;
- для каждой отправляемой партии время устанавливается индивидуально, сроки определяются в спецификации.
Предоставляем услуги монтажа и установки высокоэффективных вентиляционных систем с дальнейшим сервисным обслуживанием. В работе мы используем только качественное оборудование известных производителей, имеем все необходимые лицензии и сертификаты качества.
Установка вентиляции производится согласно индивидуально разработанному проекту, который обязательно должен соответствовать санитарно-гигиеническим общепринятым стандартам.