Продажа и обслуживание
вентиляционных систем
тепловых завес, кондиционеров
8 800 550 49 16
Бесплатно из любого
региона России
 
Перезвоните мне

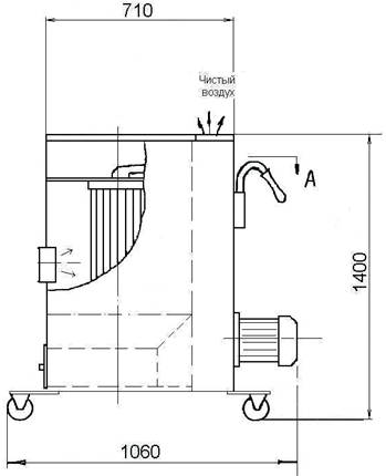
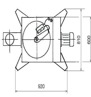
Механический фильтр передвижной с автоматической очисткой ФМАС-1400

Механический фильтр передвижной с автоматической очисткой ФМАС-1400

: по запросу

Производительность до 1400 м3/ч

Степень очистки до 98 %

Радиус обслуживания до 3,2м.

Благодаря фильтрующему элементу на бумажно-тканевой основе позволяет осуществить полномасштабную очистку воздуха от аэрозолей (в том числе сварочного) и мелкодисперсной сухой неслипающейся пыли, выделяющейся при различных производственных процессах.

Колеса позволяют перевозить агрегат по цеху, что удобно для нестационарных рабочих мест.

Запатентованная система регенерации фильтрующего элемента позволяет производить эффективную регенерацию фильтрующего элемента, без использования сжатого воздуха, работает от электросети.

Фильтры предназначены для очистки воздуха от сварочного аэрозоля, образующегося при сварке, ручной газовой резке металлов, а также для очистки от мелкодисперсной (размеры частиц ≥0,3мкм) сухой, невзрывоопасной, неслипающейся пыли, образующейся  при порошковой окраске изделий, механической обработке изделий из металла и пластмасс.

Максимальная  температура загрязненного воздуха не должна превышать 60ºС.

 Применение:
- сварочные цеха
- цеха механической обработки металла
- цеха механической обработки пластмасс
- участки порошковой окраски

Фильтр состоит из корпуса с входным патрубком, снабжен колёсами для перемещения по полу цеха. На корпусе закреплено воздухоприёмное устройство. Внутри корпуса по ходу воздушного потока установлен отбойник, для предотвращения попадания крупных частиц, окалины и искр на основной фильтрующий элемент картриджного типа. Внутри фильтрующего элемента расположена система регенерации, а её привод на крышке фильтрующего элемента. Включение электродвигателя системы регенерации осуществляется автоматически через (50-60) сек. после включения вентилятора.

Фильтр снабжен вентилятором и пусковой аппаратурой, кабелем питания длиной 5м, разъёмом для подключения к электросети.

Фильтры выпускаются с воздуховытяжным устройством d=200мм в следующих модификациях:
-  ФМАС-1400  с устройством Rобсл. =2,0м
-  ФМАС-1400 «У» с устройством Rобсл.=3,2м

Дополнительно фильтр может быть оснащен:
- угольной кассетой для доочистки газообразной фазы сварочного  аэрозоля.

 fmas-1400-teh-har-ki_1.jpg fmas-1400-teh-har-ki_2.jpg 

Наименование показателей

ФМАС-1400

ФМАС-1400У

Расход воздуха, м3/ч

1400

Степень очистки, %

98

Количество фильтрующих элементов, шт.

1

Площадь фильтрующей поверхности, м2

19,5

Количество воздухоприёмных устройств, шт.

1

Диаметр воздухоприёмного устройства, мм

200

Радиус обслуживания каждого воздухоприёмного устройства, м

2

3,2

Потребляемая мощность, кВт

1,5

Напряжение электросети, В

220

Масса, кг

95

97


Сертификат Механические фильтры (скачать)
 

Доставка

Торговый дом "Промышленная вентиляция" осуществляет доставку продукции специальным транспортом, с удобной клиенту логистикой и способом в любой регион России. Оформление заказов и транспортировку определяют такие алгоритмы:

  • для расчетов время следования груза от станции погрузки до места выгрузки закладывается до двух суток, но практически перевозка осуществляется быстрее, часто продукцию можно получить в течение этих же суток;
  • при оформлении поставки наш менеджер звонит клиенту, с тем, чтобы оптимизировать доставку, для этого задаются следующие вопросы: фактический адрес, режим станции, контактное лицо, оптимальная дата для клиента, специальные условия на станции выгрузки (наличие пропуска, оформление доверенности и другие особенности);
  • нашим клиентам доступен самовывоз на собственном транспорте.

Оплата

Торговый дом "Промышленная вентиляция" принимает оплату перечислением на расчетный счет по предварительно выставленному счету. Взаимодействие с клиентами осуществляется в такой последовательности:

  • мы используем все варианты расчетов: оплата по факту отгрузки, 100% предоплата, отсрочка действующим клиентам на банковские или календарные дни;
  • после проведения транша наш менеджер сообщает клиенту, что деньги поступили на р/с, озвучивает последующие действия по договору;
  • для каждой отправляемой партии время устанавливается индивидуально, сроки определяются в спецификации.

Предоставляем услуги монтажа и установки высокоэффективных вентиляционных систем с дальнейшим сервисным обслуживанием. В работе мы используем только качественное оборудование известных производителей, имеем все необходимые лицензии и сертификаты качества.

Установка вентиляции производится согласно индивидуально разработанному проекту, который обязательно должен соответствовать санитарно-гигиеническим общепринятым стандартам.

Наши телефоны:

8 800 550 49 16 - для звонков из любого города России

+7 (831) 260-13-60 - Нижний Новгород

Электронная почта:

promvent@mail.ru - Общая почта

info@tdpv.ru - Общая почта

luba@tdpv.ru - Матрина Любовь

olga@tdpv.ru - Семенова Ольга

oleg@tdpv.ru - Семенов Олег Валерьевич

Наши услуги

Монтаж

Монтаж кондиционеров

Кондиционеры обеспечивают комфортный климат в помещении. Монтаж проводится для оптимального распределения воздуха.

Монтаж систем вентиляции

Вентиляция обеспечивает постоянное обновление воздуха в помещении.

Монтаж тепловых завес

Тепловые завесы создают невидимый барьер, удерживая тепло внутри.

Проектирование

Проектирование систем вентиляции

Наша компания специализируется на разработке индивидуальных решений, учитывающих особенности каждого объекта. Мы создадим эффективную вентиляцию, которая обеспечит свежий и чистый воздух, соответствующий самым высоким стандартам качества и безопасности.

Обслуживание

Обслуживание систем вентиляции

Вентиляция обеспечивает комфортный климат в помещении, поддерживая здоровую атмосферу. Обеспечьте бесперебойную работу вентиляционной системы.

Обслуживание кондиционеров

Кондиционирование – ключ к комфортной атмосфере в помещении, регулирующее температуру и влажность. Обеспечьте долгий срок службы и эффективную работу ваших кондиционеров.

Алмазное бурение отверстий

Алмазное бурение

Алмазное бурение – передовая технология, позволяющая осуществлять точное и эффективное создание отверстий в различных материалах. Наши опытные специалисты и современное оборудование обеспечивают бурение с высокой точностью и минимальными повреждениями окружающей поверхности.

Ремонт

Ремонт систем вентиляции

Вентиляционная система играет ключевую роль в обеспечении чистого и свежего воздуха в помещении. Независимо от масштаба проблемы, мы гарантируем быстрое восстановление функциональности вентиляционной системы.

Ремонт кондиционеров

Исправное функционирование кондиционеров существенно влияет на комфорт внутренней среды помещения. Наши опытные техники быстро и качественно восстановят работу вашей системы.

Все услуги

Наши услуги предоставляют все, что вам нужно для эффективного управления техническими системами. Независимо от того, какая именно услуга вам требуется, наша команда опытных профессионалов готова обеспечить высокое качество и надежность в каждой задаче.

Мы нацелены на индивидуальный подход к каждому проекту, гарантируя высокую профессиональность и результат, который превосходит ожидания. Наш опыт и тщательно разработанные стратегии позволяют нам справляться с самыми сложными задачами, обеспечивая эффективность в каждой сфере наших услуг.


Консультация специалиста

Оставьте заявку на консультацию специалиста

Наши преимущества

Сертификаты качества

Сертификаты качества

Наличие сертификатов качества на все
реализуемое оборудование


Широкий ассортимент

Широкий ассортимент

Большой выбор продукции
в наличии и под заказ


Быстрая установка

Быстрая установка

Осуществляем монтаж вентиляционных
и климатических систем в соответствии
с действующими стандартами


Экспресс доставка

Экспресс доставка

    Доставка оборудования по городу и    области в сжатые сроки


Гарантия производителей

Гарантия производителей

Продолжительная официальная гарантия
от производителей


Выгодные цены и скидки

Выгодные цены и скидки

Выгодные розничные цены
и дополнительные оптовые скидки



Выполненные объекты

Картинка Картинка Картинка Картинка Картинка Картинка Картинка

Самурай - сеть городских кафе

Мы специализируемся на проектировании и установке оборудования для общественного питания, включая системы вентиляции и вытяжки. Благодаря многолетнему опыту и профессионализму своих сотрудников, мы гарантируем качественное выполнение работ и соответствие высоким стандартам.

Процесс установки вентиляционного и вытяжного оборудования в сети кафе "Самурай" начался с тщательного изучения требований и особенностей каждого объекта. Мы разработали индивидуальное решение, учитывая особенности каждого кафе, его площадь и расположение. Профессиональные инженеры проектировали оптимальные схемы вентиляции, обеспечивая эффективное циркулирование свежего воздуха и удаление загрязненного воздуха из кухонных и общих зон.

Картинка Картинка Картинка Картинка

ТЦ «РИО», «Белый ветер цифровой»

Перед началом работ мы провели тщательное изучение требований и особенностей магазина "Белый ветер". Учитывая характеристики электроники, присутствующей в магазине, а также площадь и расположение помещения, мы разработали индивидуальное решение, которое обеспечивало эффективную вентиляцию и вытяжку, а также поддерживало оптимальный уровень влажности и температуры.

После утверждения проекта, наша команда приступила к установке оборудования. Мы установили современные системы вентиляции, воздуховоды, вытяжные устройства и другие компоненты, необходимые для эффективной работы системы. Монтаж выполнялся в строгом соответствии с техническими нормами и требованиями безопасности.

Картинка Картинка

Дом торговли на ул. Литвинова

Наша работа началась с тщательного анализа требований и особенностей торгово-офисного центра. Мы учли площадь помещений, специфику деятельности арендаторов и количество посетителей, чтобы разработать оптимальное решение для вентиляции и вытяжки. Наши инженеры и проектировщики создали индивидуальный проект, учитывающий все эти факторы.

После утверждения проекта, наша команда приступила к установке оборудования. Мы установили высококачественные вентиляционные системы, воздуховоды, вытяжные устройства и другие компоненты, необходимые для эффективной работы системы. Монтаж проводился в строгом соответствии с высокими стандартами качества и соблюдением требований безопасности.

Картинка

г. Дзержинск, производственный цех

Производственные цехи требуют особого внимания к вентиляции, так как в них часто возникают выделения вредных веществ, тепловые нагрузки и повышенная влажность. Мы провели тщательный анализ требований и особенностей производственного процесса, чтобы разработать наиболее эффективное решение для обеспечения чистого и безопасного воздуха в цехе.

Наша команда инженеров и проектировщиков разработала индивидуальный проект, учитывая площадь цеха, особенности производства и необходимые параметры вентиляции. Мы предложили оптимальное расположение вентиляционных систем, вытяжных устройств, фильтров и других компонентов, чтобы обеспечить эффективную работу системы и максимальную защиту персонала от вредных веществ и избыточной тепловой нагрузки.

Картинка Картинка Картинка

Лукояновская ЦРБ

Медицинские учреждения, такие как Лукояновская ЦРБ, требуют особого внимания к вентиляции. В них важно поддерживать свежий и чистый воздух, предотвращать распространение инфекций и обеспечивать оптимальные условия для восстановления здоровья пациентов. Мы провели тщательное проектирование и анализ, чтобы разработать решение, соответствующее требованиям и специфике ЦРБ.

Наша команда инженеров и проектировщиков разработала индивидуальный проект, учитывая площадь и особенности Лукояновской ЦРБ. Мы предложили оптимальное расположение вентиляционных систем, вытяжных устройств, фильтров и других компонентов, чтобы обеспечить эффективную работу системы и максимальный уровень гигиены в помещениях ЦРБ.

Картинка

Завод Транспневматика г. Первомайск (Нижегородская обл.)

Завод "Транспневматика" является ведущим производителем пневматического оборудования, и мы понимаем важность поддержания чистого и свежего воздуха на производстве. Наша команда инженеров и проектировщиков разработала индивидуальное решение, учитывая особенности и потребности завода.

Мы проектировали и установили вентиляционные системы, которые обеспечивают эффективный воздухообмен, поддерживают оптимальную температуру и осуществляют удаление вредных и загрязненных веществ из рабочей зоны. Мы также установили вытяжные устройства, фильтры и другие компоненты, необходимые для обеспечения чистого воздуха на заводе.

Картинка

Автосалон Агат (ул. Московское шоссе)

Автосалон Агат является одним из ведущих автодилеров, предоставляющих широкий выбор автомобилей различных марок. Мы осознаем важность обеспечения комфортных условий для клиентов и сотрудников автосалона. Поэтому мы разработали индивидуальное решение, учитывая особенности помещений и потребности Автосалона Агат.

Наша команда инженеров и проектировщиков провела тщательный анализ и проектирование, чтобы создать эффективную систему вентиляции. Мы установили вентиляционное и вытяжное оборудование, которое обеспечивает поступление свежего воздуха, поддерживает комфортную температуру и осуществляет удаление отработанного воздуха и запахов.

Картинка

«Детский дом №1», г. Н.Новгород, ул. Н.Рыбакова,14-а

«Детский дом №1» является местом, где дети получают качественный уход и воспитание. Мы осознаем важность обеспечения здоровой и безопасной атмосферы для детей, поэтому разработали и установили индивидуальную систему вентиляции, соответствующую особенностям объекта и требованиям санитарных норм.

Наша команда опытных инженеров и специалистов проектирования тщательно изучила помещения «Детского дома №1» и разработала оптимальное решение для обеспечения свежего воздуха, управления температурой и эффективного удаления загрязненного воздуха.

Смотреть все объекты

Полезная информация

Вентиляция

certificate.png Сертификат Русклимат.jpg Лицензия Металлист.jpg Лицензия Муссон.jpg Лицензия Вингс-М.jpg Лицензия Тепломаш.jpg ДАичи.jpg Промышленная вентиляция-01.jpg

Наши партнеры

НПО «Тепломаш»

ООО "Завод ВЕНТИЛЯТОР"

ООО «Предприятие «Муссон»

ЗАО «Вентиляционный завод «Лиссант»

ООО «ВЕЗА»

ООО "Опытно-экспериментальный завод "Теплоагрегат"

ООО ПТК «Тепловенткомплект»

ЗАО "ВИНГС-М"

Отзывы

При строительстве нового производственного цеха обращались в компанию "Промышленная вентиляция". Здесь не только для нас разработали систему приточно-вытяжной вентиляции, но и соответственно подобрали все необходимое оборудование.

Надо сказать, что качество работ, что цена - нас все устроило. В компании работают настоящие специалисты. Отдельное спасибо надо сказать нашему менеджеру, Олегу. Всегда был на связи, держал нас в курсе работы по проекту.

В общем, цех построен, вентиляция сделана лучшим образом, так как монтажом занимались эти же специалисты.

Антон Ермаков

Хорошо, что все, начиная от проектирования и заканчивая монтажом, можно заказать в одной компании. А то мы в прошлый раз очень неудачно все сделали. Проектировала систему вентиляции одна компания, покупали все необходимое в другом месте, и в итоге монтажом занимались третьи лица. Денег мы потратили просто немерено. Вот поэтому в этот раз при строительстве здания сразу решили обратиться в компанию, где все делают от и до. В "Промышленной вентиляции" все сделали в лучшем виде, и куда дешевле нам их работа обошлась. Вообще мы, прежде чем принимать решения, тщательно условия просчитали в разных компаниях, тут на наш взгляд оказалось выгоднее всего.

Алексей Бодрягин

Наконец добрались до кондиционеров. Лето хоть и выдалось не особо жарким, но кондиционеры - дело нужное. Покупали оборудование в "Промышленной вентиляции", тут же заказывали установку и подключение. Заказ был не маленький, в здании требовалось установить 12 кондиционеров. Выбрали кондиционеры "Аляска". Хорошие системы, проверили, как работают. Помещение хорошо охлаждают, даже больших площадей. Ну и плюс к этому цены в этой компании адекватные, не завышены. Заказ выполнили быстро. В несколько дней уложились, чтобы привезти все необходимое оборудование и установить его.

Владимир Михайлов

Хочется поблагодарить компанию "Промышленная вентиляция" за продуктивное сотрудничество и нашего менеджера Ольгу в частности. Надо отметить профессионализм всех сотрудников компании, с которыми нам приходилось работать в процессе монтажа вентиляционного оборудования и кондиционеров. Все сделано качественно, быстро и недорого, а так, хочу сказать, бывает очень не часто.

Думаю, в дальнейшем, когда нам потребуется обслуживание и системы вентиляции, и кондиционеров, у нас не возникнет вопроса, в какую компанию обращаться.

Игорь Саввин

Уже не раз покупали в вашей компании различное оборудование. Последний раз заказывали пару кондиционеров и их установку. Все как обычно: сделали все быстро и на совесть. Цены тоже не разочаровали. Вообще мы всегда сравниваем цены в разных компаниях, у вас дешевле, чем у многих. Ну и плюс то, что вы для нас уже проверенный поставщик, так что выбор падает всегда на вашу компанию. Ну что сказать? Так держать!

Сергей Прохоров